
pA-Cap叠层式导电聚合物铝电解电容器,在材料和核心工艺上有重大创新。它在研究聚吡咯薄膜电聚合生长规律基础上,开发了在复杂多孔的绝缘体表面原位均匀生长高电导率聚吡咯膜技术,解决了聚合电解液长期使用过程中的自聚合难题;提出并实现了铝箔阳极阴极隔离阻断工艺、引入补形成过程新技术,保证了pA-Cap产品的优异电气特性。
不仅发挥聚合物的特点 ( 温度稳定特性 ) ,因为SP-Cap的主要特长是低ESR和小型化,所以会选用在下列用途
・需要低ESR的用途
服务器,笔记本电脑, ( 家用 ) 游戏机的CPU电源线路
通讯机器和产业机器里FPGA的电源线路
显卡GPU的电源线路
・其他用途
家用游戏机,LCD屏等
叠层式导电聚合物铝电解电容器的特点
由于采用固态的高分子导电聚合物作为电解质,使得PA-Cap具有如下特点:

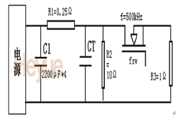
表1. 开关电源测试电路参数
现分别用1只2V/220μF PA-Cap或2V/220μF松下公司聚合物固体叠层铝电解电容器(SP-Cap)接在输出电容Cout位置,测试其滤波效果。输出波形如图4和图5所示:
图4. 300KHz时PA-Cap 滤波效果
图5. 300KHz时SP-Cap滤波效果
如上面的滤波效果显示,当开关电源频率在300KHz左右时,同种规格的PA-Cap的输出均方根与SP-Cap的很接近,所以PA-Cap滤波效果基本接近于SP-Cap。由于具有低的ESR、允许的纹波电流大,所以PA-Cap也是DC/DC转换器或开关电源输出电容的优选电容之一。
b 噪声吸收
对于高质量声音影像的仪器设备来说,需要温度稳定性和消除高频噪声的能力。用于降低噪声的电容高频低阻,即具备低ESR和低ESL。但是,ESR过低,使得电容成为一个LC滤波器,产生谐振引起共振。电容的依存性很大程度上取决于它的电解质。PA-Cap采用温度系数低的导电高分子作为电解质,在宽温区域内具有良好的温度特性。
吸收噪声性能的测试电路示意图如图6所示,不同温度下测试2V/220μF结果如图7、8所示:
图6. 噪声吸收测试电路示意图
图7. 室温下均方根随频率变化
图8. 55度时均方根随频率变化
如上述图7、8曲线所示: 频率在100 KHz~500 KHz内,输入峰-峰电压为8V,负载为50Ω时,接上PA-Cap的输出均方根不超过2mV,吸收了近99%的噪声。所以,100 KHz~500 KHz为 PA-Cap理想工作频率范围。而且,不管在室温还是在55度下,10 KHz~1 MHz频率范围内, PA-Cap噪声吸收性能基本接近于SP-Cap。PA-Cap的温度稳定性和消除高频噪声能力也是相当优秀的。
c 高速保护
在全球节能的浪潮中,电子产品使用的IC,特别是MPU(微处理器)正超着高速度、低工作电压方向发展。低工作电压化带来了MPU的负载电流呈增加的趋势。MPU从休眠状态向高速突变时,MPU的负载变化剧烈,负载电流急剧变化,引起了电源线路的电压变动导致MPU的误操作。为了防止这种情况的出现,在MPU电源瞬态响应设计时,考虑在陶瓷电容附近提供一个电荷备用库。这个电荷备用库是通过低ESR、低ESL、大容量的电解电容来实现。过去一般应用钽电容作为电荷备用库,顾虑到现火灾隐患,现避免使用选用该类元件。
图9为高速保护测试电路,CT为测试电容——16 V/220μF普通钽电容、4V/82μF PA-Cap。
图9. 高速保护测试电路
图10. 16 V/220μF普通钽电容的测试波形
图11 . 4V/82μF PA-Cap的测试波形
当MPU的负载电流急剧增大时,由于PA-Cap的ESR比普通钽电容小很多,所以接上PA-Cap的电源电压下降只有66mV比普通钽电容小好几倍(如图10、11所示),达到良好的去耦效果。PA-Cap不仅去耦效果好,而且不燃烧不爆炸,是MPU等数字电路作为高速保护备用电荷库的优选电容之一。
结束语
新型电容器——PA-Cap聚合物片式叠层铝电解电容器,技术指标达到或接近国际先进水平,具有超越现有液体铝电解电容器和固体钽电解电容器的卓越电性能;稳定的频率特性和温度特性,宽温长寿命高可靠性。广泛应用于笔记本电脑、平板显示器、移动DVD、通讯电源、汽车电子、仪器仪表等高端数字化电子中。