片式聚合物叠层铝电容100UF6.3V 7.3x4.3x1.9mm
产品名称: 片式聚合物叠层铝电容
类型: 聚合物
容值: 100uF
精度 :±20%
额定电压: 6.3V
电容体直径 :4.3mm
电容体长度 :7.3mm
电容高度:1.9mm
脚间距:7.3mm
纹波电流 3.9A@100kHz
等效串联电阻 15mΩ@100kHz
工作寿命 2000hrs@105℃
工作温度 -55℃~+105℃

| Item | Conditions | Characteristics | |
|---|---|---|---|
| Category Temperature Range | -55 to +105 ℃ | ||
| Rated Voltage Range | 2 to 25Vdc | ||
| Capacitance Tolerance | at 20℃,120Hz | ±20 % (M);Y:+10~ -35% | |
| Leakage Current | at 20℃after 2 minutes | I ≦ 0.1CV (2 V.DC to 2.5 V.DC) I ≦0.3CV (25 V.DC) I:LeakageCurrent(μA), C:Rated Capacitance(μF), V:RatedVoltage(V) | |
| Surge Voltage | 15 to +35℃ | Rated voltage × 1.25 (2 V.DC to 2.5 V.DC) Rated voltage × 1.15 (25 V.DC) | |
| Dissipation Factor (tanδ) | at 20℃,120Hz | 0.06 max. | |
| Endurance | 105℃,rated voltage applied, 2000 hrs. | Appearance | No significant damage |
| Capacitance Change | ±20%of the initial value | ||
| Dissipation Factor | £200% ofthe initial specifiedvalue | ||
| Leakage Current | 2V.DC to 2.5 V.DC £300% of the initial specified value 25 V.DC £within the initial limit | ||
| Damp Heat, Steady State | 60℃,90 to 95%RH, 500 hrs. | Appearance | No significant damage |
| Capacitance Change | (2 V.DC to 2.5 V.DC)+70%, -20% of the initial value (25 V.DC) +60%, -20% of the initial value | ||
| Dissipation Factor | £200% of the initial specified value | ||
| Leakage Current | 2V.DC to 2.5 V.DC withinthe initial specified value 25 V.DC £ 300% of the initial specified value | ||
| Surge Voltage | The capacitors shal be subjected to 1000 cycles each consisting of charge with the surgevoltages, at 15℃to35℃for 30 seconds through a protective resistor (R=1KΩ)and discharge for 5min 30 seconds. | Appearance | No significant damage |
| Capacitance Change | ±10% of the initial value | ||
| Dissipation Factor | within the initialspecified value | ||
| Leakage Current | within the initial specified value | ||

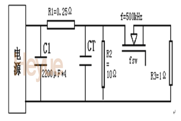
表1. 开关电源测试电路参数
现分别用1只2V/220μF PA-Cap或2V/220μF松下公司聚合物固体叠层铝电解电容器(SP-Cap)接在输出电容Cout位置,测试其滤波效果。输出波形如图4和图5所示:
图4. 300KHz时PA-Cap 滤波效果
图5. 300KHz时SP-Cap滤波效果
如上面的滤波效果显示,当开关电源频率在300KHz左右时,同种规格的PA-Cap的输出均方根与SP-Cap的很接近,所以PA-Cap滤波效果基本接近于SP-Cap。由于具有低的ESR、允许的纹波电流大,所以PA-Cap也是DC/DC转换器或开关电源输出电容的优选电容之一。
b 噪声吸收
对于高质量声音影像的仪器设备来说,需要温度稳定性和消除高频噪声的能力。用于降低噪声的电容高频低阻,即具备低ESR和低ESL。但是,ESR过低,使得电容成为一个LC滤波器,产生谐振引起共振。电容的依存性很大程度上取决于它的电解质。PA-Cap采用温度系数低的导电高分子作为电解质,在宽温区域内具有良好的温度特性。
吸收噪声性能的测试电路示意图如图6所示,不同温度下测试2V/220μF结果如图7、8所示:
图6. 噪声吸收测试电路示意图
图7. 室温下均方根随频率变化
图8. 55度时均方根随频率变化
如上述图7、8曲线所示: 频率在100 KHz~500 KHz内,输入峰-峰电压为8V,负载为50Ω时,接上PA-Cap的输出均方根不超过2mV,吸收了近99%的噪声。所以,100 KHz~500 KHz为 PA-Cap理想工作频率范围。而且,不管在室温还是在55度下,10 KHz~1 MHz频率范围内, PA-Cap噪声吸收性能基本接近于SP-Cap。PA-Cap的温度稳定性和消除高频噪声能力也是相当优秀的。
c 高速保护
在全球节能的浪潮中,电子产品使用的IC,特别是MPU(微处理器)正超着高速度、低工作电压方向发展。低工作电压化带来了MPU的负载电流呈增加的趋势。MPU从休眠状态向高速突变时,MPU的负载变化剧烈,负载电流急剧变化,引起了电源线路的电压变动导致MPU的误操作。为了防止这种情况的出现,在MPU电源瞬态响应设计时,考虑在陶瓷电容附近提供一个电荷备用库。这个电荷备用库是通过低ESR、低ESL、大容量的电解电容来实现。过去一般应用钽电容作为电荷备用库,顾虑到现火灾隐患,现避免使用选用该类元件。
图9为高速保护测试电路,CT为测试电容——16 V/220μF普通钽电容、4V/82μF PA-Cap。
图9. 高速保护测试电路
图10. 16 V/220μF普通钽电容的测试波形
图11 . 4V/82μF PA-Cap的测试波形
当MPU的负载电流急剧增大时,由于PA-Cap的ESR比普通钽电容小很多,所以接上PA-Cap的电源电压下降只有66mV比普通钽电容小好几倍(如图10、11所示),达到良好的去耦效果。PA-Cap不仅去耦效果好,而且不燃烧不爆炸,是MPU等数字电路作为高速保护备用电荷库的优选电容之一。